Siglent SDS7000A-PA Power Analysis (software)

€1,610.00

Siglent SDS7000A-PA is a Power Analysis option for the SDS7000A series Oscilloscope.

The SDS7000A-PA (Power Analysis) option for the SDS7000A series digital oscilloscopes provides advanced power analysis capabilities. Key features include:

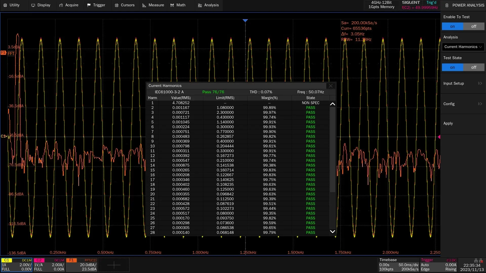
  1. Power Quality Measurements: Measures parameters such as voltage, current, power factor, and harmonic distortion, essential for evaluating power systems.
  2. Harmonics and Inrush Current Analysis: Analyzes current harmonics and inrush current, helping in the assessment of power supplies and motor systems.
  3. Switching Loss and Efficiency: Enables measurement of switching loss, power efficiency, and other critical performance metrics for power electronics devices.
  4. Advanced Testing for Power Supplies: Includes additional features like ripple measurement, modulation analysis, and turn-on/turn-off testing, making it ideal for evaluating power supply performance.

This option is essential for engineers working on power systems, motor drives, and power electronics, providing detailed insights into power quality and efficiency​