Unlocks 16 digital channel control for the SDS6A series of oscilloscopes. Requires SPL2016 wiring harness for operation.

 

Unlocks the externa; function generator function for the SDS6000A Plus series of oscilloscopes.

Requires the SAG1021i external function generator hardware for complete functionality.

Unlock the power analysis option for the SDS6000A series of oscilloscopes. Requires a 4 channel SDS6000A, DF2001A deskew fixture, and at least one current probe for complete functionality.

Eye diagram and Jitter analysis software activation license for the SIGLENT SDS6000A oscilloscope series

 

Siglent SDS6000Pro-I2S is a trigger & decode for the SDS6000A series oscilloscopes

 

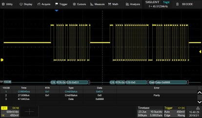
the Siglent SDS6000Pro-1553B is a trigger & decode for the SDS6000A series oscilloscopes

SDS6000Pro-FlexRay is a FlexRay trigger & decode license option for the SDS6000A series oscilloscopes

Siglent SDS6000Pro-CANFD is a trigger & decode for the SDS6000A series oscilloscopes

Siglent SDS6000Pro-SENT is a decoding activation license for the SDS6000A series oscilloscopes

 

Siglent SDS6000Pro-Manch Manchester is a decoding activation license for the SDS6000A series oscilloscope

Unlocks 16 digital channel control for the SDS6A series of oscilloscopes. Requires SPL2016 wiring harness for operation.

 

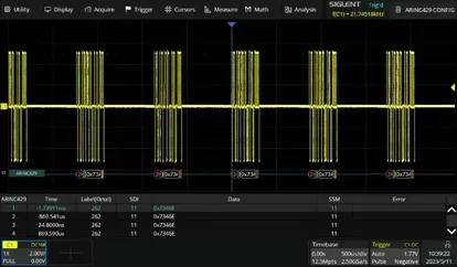
The Siglent SDS6000Pro-ARINC trigger & decode activation license for the SDS6000A Series oscilloscope.